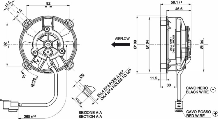
70016

item number Volt Amp. max. Fan Size (mm) Air Flow m³ Type Weight (Kg) IP
70016 12 2,4 96 210 Blowing 0,38 68

70016