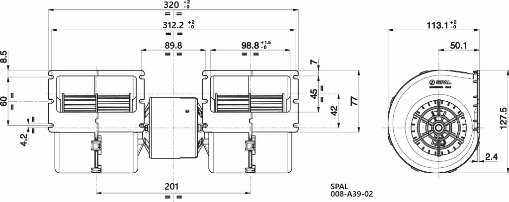
datasheet 16215

item number Volt Amp. max. Air Flow m³ Weight (Kg) Speed
16215 12 20,7 810 1,7 3