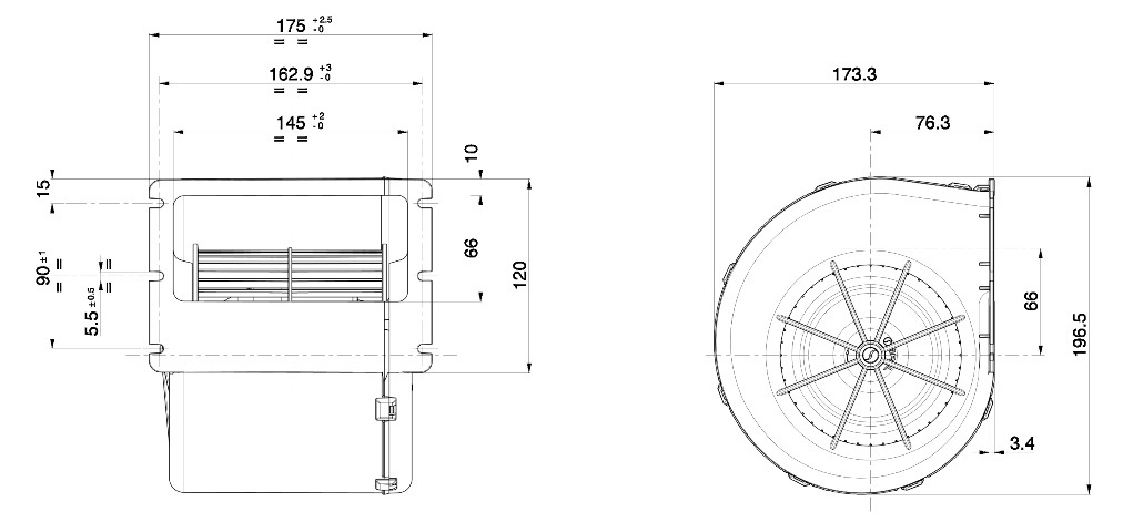
datasheet 160083

item number Volt Amp. max. Air Flow m³ Weight (Kg) Speed
160083 12 26,4 910 2,0 1

160083